宜昌夷陵长江大桥箱式变电站高压开关柜升级改造项目已由宜昌长江大桥建设营运集团有限公司批准实施,项目已具备公开询价条件,现进行公开询价。
一、项目概况与询价范围
1、项目名称:夷陵大桥箱变高压开关柜升级改造项目。
2、施工地点:宜昌市夷陵长江大桥范围内。
3、工期要求:计划总工期20日历天。(具体开工日期以开工报告批准日期为准,实际竣工日期以开工日期推算)
4、最高限价:¥180000.00(大写:壹拾捌万元整)
5、询价范围:
本项目主要施工内容为对夷陵大桥三处箱式变电站高压开关柜进行整体更换,主要包括箱式变电站旧开关柜(空气绝缘型)拆除,
更换新型全密封共箱式充气SF6气体全绝缘符合开关柜,包换环网柜采购、安装、调试、高压电缆敷设、制作电缆头、电气装置试验,直至送电运行。
6、工程质量标准要求:满足国家标准、行业规范、设计要求,参考标准包括:
(1)《高压交流隔离开关和接地开关》(GB1985-2014)
(2)《高压开关设备和控制设备标准的共用技术要求》(GB/T11022-2011)
(3)《3.6kV~40.5kV交流金属封闭开关设备和控制设备》(GB3906-2006)
(4)《电气装置安装工程电气设备交接试验标准》(GB50150-2016)
7、安全文明施工要求:落实施工安全技术措施,遵守国家相关安全操作规程,达到《建筑施工安全检查标准》(JGJ59-2011)合格标准。并签订安全施工专用协议,双方遵守执行。避免发生重大安全事故。
8、报价比选方式:有效报价范围内合理最低报价中选。
二、项目具体技术要求
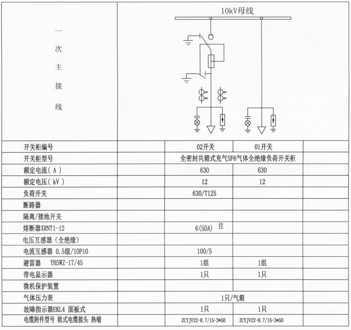
1、本次采购设备为成套高压开关柜,一次接线图如图:

2、本次报价设备必须为原厂生产的成套高压开关柜,品牌为ABB电气、施耐德(Schneider)、西门子(SIEMENS)的高压电气设备。
3、10kV环网箱采用SF6气体绝缘环网柜,环网柜的防护等级不低于IP4X。
4、成套设备中加装馈线避雷器、故障指示器、气体压力表。负荷开关加装分励脱扣装置(用于变压器超温跳闸)。配套提供10kV预制式热缩电缆终端及相应附件
5、因箱变位于不同位置,实际用途不相同,柜内电流互感器一次电流应根据实际需求配置,二次电流选用5A,电流互感器应选用三相,要和电缆线径相匹配。
6、设备要具备完整的高压电力设备“五防”功能,即防止误分、合断路器;防止带负荷分、合隔离开关;防止带电挂(合)接地线(接地开关);防止带地线送电;防止误入带电间隔。
(1)防误装置的结构应简单、可靠,操作维护方便,不增加正常操作和事故处理的复杂性。
(2)电磁锁应采用间隙式原理,锁栓能自动复位。
(3)成套的高压开关设备用防误装置,应优先选用机械联锁。
(4)防误装置应有专用工具(钥匙)进行解锁。
(5)防误装置应满足所配设备的操作要求,并与所配用设备的操作位置相对应。
(6)防误装置应不影响开关设备的主要技术性能(如分合闸时间等)。
7、设备质量得到生产厂商书面保证,质保期不小于2年。
三、报价人资格
1、报价人须具有工商行政主管部门核发的有效法人营业执照,具备承装(修、试)电力设施许可证,具有建设行政主管部门核发的有效安全生产许可证。
2、报价人近三年内,未发生过较大及以上等级的安全生产事故,在经营活动中无重大违法和不良信用。
3、报价人应具有一定的技术能力,拟派承担本项目的管理人员应具有相应的执业资格证书,主要技术人员持证上岗,证件齐备。
4、报价人近三年来,完成过类似业绩和项目。
5、报价人应提供完善的售后服务,能及时响应故障维修要求,得到设备生产厂商质量保修书面文件。
6、报价人不得以分公司名义进行投标,投标文件的单位盖章必须使用其法人公章,分公司盖章无效。
7、本项目不接受联合体投标,投标人须以独立投标人身份参与投标。
四、报价文件要求:
1、报价文件密封:报价文件一式两份,报价材料按顺序装订后密封在报价袋中,报价袋上注明项目名称及报价人,封口处加盖公章。如未按要求密封和标注,报价文件无效。
2、报价人必须保证报价文件所提供的全部资料真实可靠,并接受询价人对其中任何资料进一步核实的要求。
3、报价文件包括:
(一)报价单位营业执照、承装(修、试)电力设施许可证、安全生产许可证复印件;
(二)法人代表授权委托书原件,法人代表身份证复印件,被委托人身份证复印件;
(三)拟采用高压成套开关柜产品资料,包含产品图样、性能参数报告、质量认证报告、安全性能测试报告等;
(四)项目报价一览表(包含报价汇总、工期和质量承诺);
(五)拟派本项目的管理人员和技术人员资质证件复印件;
(六)业绩证明材料(项目合同或竣工验收证书复印件);
(七)报价人提供的售后服务承诺书原件;
(八)主要设备生产厂商针对本项目的授权书和售后服务承诺函原件;
(九)报价人认为适宜的与本项目相关的其他资料。
注:以上材料须加盖单位公章(原件备查),报价人应将报价文件按上述顺序装订成册。
4、下列情况将被视为无效报价文件:
(一)报价文件未经报价单位盖章和单位负责人签字;
(二)报价人不符合国家或者询价文件规定的资格条件;
(三)报价低于成本或者高于询价文件设定的最高限价;
(四)报价文件没有对招标文件的实质性要求和条件作出响应;
(五)法律、法规规定的其他情况。
5、报价文件均以人民币为单位,保留两位小数。报价应包括安全措施费、规费、税费等一切费用。履约期内,合同单价和总价不予调整。
五、报价文件的递交
1、报价文件递交的截止时间:2019年 11月13日11时30分
2、报价文件递交的地点:宜昌市点军区至喜大桥管理房105办公室(至喜大桥江南主塔旁)
联系电话:0717-6091165
3、本项目不再组织集中现场踏勘,如有需要,自行前往。
4、报价人若发现询价方存在不廉洁行为或不公正情况,可向集团公司纪检监察部举报,举报电话:0717-6075655,0717-6075671
六、以上公告内容如有变动,另行通知。
2019年11月8日




鄂公安网备 42050402000009号
地址:宜昌市点军区岚雾街36号
电话:0717-6075685
邮箱:yichangdaqiao@126.com
邮编:443004
集团官方公众号